Import information: AI/I Reference on drawing L8102AM-11 imports station PV from Module 21,28,06 Block 1880.
Using an AI/I or AI/L reference to import an M/A MFC/P: Control Station [FC80] block yields the PV (process value), the value on Specification S1. This means that any such import should be checked to ensure this is what is intended.
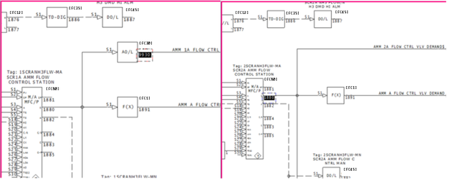
Importing the output of a Station (FC 80) gives the Process Value (PV) instead of the Output (OP). This can be misleading. We have found instances where the designer clearly intended to be importing the Output Value. You should verify any imports like this to make sure the PV is what is intended.
The example tells a story because the error was corrected in one unit but not in its clone. Here we see the two units side by side. On the left is unit 1, where the error was corrected by adding block 9930. On the right is unit 2, which was cloned from unit 1 but the error was never corrected.
Here we see the AI/I references for units 1 and 2. Unit 1 on the left is importing from block 9930. Unit 2 on the right is still importing from S1 of block 1880.
Sometimes it is important to investigate not only why an error appeared in one unit, but why it didn't in another.
This message is likely to show an error in the system configuration. It should be reviewed. The issue raised may be in unused logic or graphics, or have other realities that make it a non-issue.
Please contact us for help resolving your error messages.
DBDOC ©1996 - 2025 G. Michaels Consulting Ltd., all rights reserved. All other trademarks and registered trademarks are the property of their respective holders. Website source largely available under the terms of the AGPLv3.