Function block disabled [ERROR 297]

Function block disabled [ERROR 297]

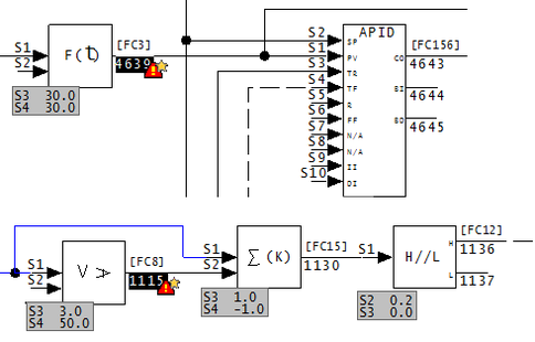
Module 1,01,02 Block 1001 FC3 disabled by spec values

A lead/lag F(t) FC 3 or rate limiter H//L FC 8 has been disabled by the enabling specification S2 being defaulted to the disabled state 0.

This error is generated when these conditions are met:

  • S1 is wired (greater than 9 is sufficient)
  • S2 is 0
  • S3 and S4 are NOT both 0.0

since both blocks feed the input to the output and do nothing if the above conditions are met.

If the block output can be found to be unused, the message is suppressed.

Builderror297.png

  • The first example shows a lead/lag block in a control circuit that is intended to soften the dynamics of process variable changes. This fails to work because the block action is disabled by default.
  • The second similarly shows that the amount of rate limiting is intended to be monitored, but this monitoring fails for the same reason.

This message is likely to show an error in the system configuration. It should be reviewed. The issue raised may be in unused logic or graphics, or have other realities that make it a non-issue.

Please contact us for help resolving your error messages.