Showing the tree of ancestors for a block visually (Input Tree)

Showing the tree of ancestors for a block visually (Input Tree)

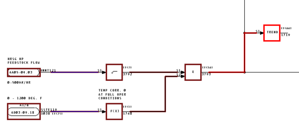
Showing an Input Tree

You can visualize the "input tree" for a block by selecting Show Input Tree For This Block from the Function Block popup menu (i.e. right-click on a Function Block). The Function Block which is the root of the tree is outlined in red, and its inputs are highlighted in red. Subsequent layers in the tree are outlined and highlighted in darker red.

Input-tree.png

Clearing an Input Tree

The input tree can be cleared by

  • unchecking Show Input Tree For This Block on the Function Block popup menu for the same function block
  • selecting Show Input Tree For This Block on the Function Block popup menu for a different function block
  • selecting Clear Input/Output Trees from the main browser View menu


Viewing an Input Tree Across Multiple Sheets

If the input tree terminates at an input reference, it will continue from an associated output reference on another CAD/CLD diagram. You can navigate to this other sheet by going to the source of the input reference and continue to follow the visually highlighted lines of the input tree.

For example, this screenshot shows the input tree for a block. The tree terminates at two input references. Going to the associated output reference for the top one brings us to the CAD sheet in the second screenshot.

Input-tree-1.png

The input tree for the original block continues on this sheet.

Input-tree-2.png

You can always return to the root of the input tree on the original document by right-clicking on any line in the tree and choosing Go To Input Tree Root from the context menu that appears.

Information-noshadow.png Note: The highlighted tree is built as you navigate from sheet to sheet. If you visit a sheet which has lines that are technically in the input tree without visiting all the sheets "on the way" first, the tree lines on the sheet you jumped to will not be highlighted.

See also